作りっぱなしもいけないのでRIAA特性(EQ偏差)を
測ろうとしましたが、
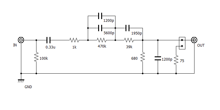
普段余りしていないので準備で手間取りました。まずEQ偏差を測るためには逆RIAAフィルターが必要ですがありません。ないものは作ろうということでネットを検索すると色々製作例がありました。その中で丁寧な記事を載せておられる方のを参考にして作りました。
次にPete Millettさん作のVEE Runtime上でHP8903Bを動かす
計測ソフトもバージョンアップしていたのでそれを動作させたのですがERROR 801がでて動いてくれません。前にもこんなことがあったなと思いながら解決方法をネットで検索していくとまさに同じ問題に解答してくれているサイトがありました。
(https://groups.google.com/forum/#!topic/gpib-usb/uSK0L7X57pM)
要点のみ書きますと
「1. right click on the new instrument(@GPIB0::28::INSTR) , select instrument properties, and change the name to Audio Analyzer (case sensitive here!!!).
2. Pressed the save I/O configuration button in the Instrument Manager (very improtant!!!)
3. Select Advance of instrument properties and change the timeout to 20 sec」
ということで、この3つの操作で無事ソフトが動きました。ちなみに私のPC測定環境は以下の通りです。
Audio Analyzer:HP8903B、GPIBインターフェース:S82357互換USBアダプター、OS:Windows7 home premium(64bit)、ドライバー: IO Library suite 16.3 update2、VEE runtime:VEE runtime 9.2
最初にヤフオクで買ったLUXKIT A3032というプリのEQ偏差を見るとほぼ±1dB内に収まっており、さすがに良くできたキットだなと感じました。次に自作のイコライザを計測してみますとこちらはLchのみ低域、特に20Hz~70Hzが大きく減衰しているのは何かCRの値に問題があるのでしょうか。EQ部のコンデンサーの誤差は±10p以内に収めたのですが何か根本的な問題が他にあるのでしょうか。また課題ができました。





