この間、DAC製作や過去に製作したICアンプ改造に関係して、Aliexpressで部品等購入する機会が増えて、その流れで色々なプリント基板やキットを目にすることが増えました。そこで一度それらで何か作ってみようと考えました。何にするか考えて決めたのが真空管プリアンプです。イコライザーアンプ部は迷わずマランツ7の回路を基板化したものを、ラインアンプ部は差動増幅回路とGT管採用のCARY AE-1の回路を基板化したものを候補にあげて検討しました。![]()
![]()
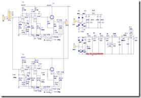
マランツ7の基板は色々販売されていますが、オリジナルと同じ真空管の使い方をしている基板は1つしかありません。それが上の左側の(緑色)基板です(Aliexpress価格1029円配送無料)。これは基板だけの販売で、他のすべてのパーツは自分で集めなければなりません。しかしそれがかえって部品に拘る場合好都合です。ただ細かい点を見ていくと、修正しなければならないポイントは結構あります。第1にB電源が1,2段目と3段目が同じ電圧になっている点、第2にヒーターを3本並列にして12.6Vで使用しコンデンサー経由で接地している点、第3にオリジナル回路と異なる値のCRを使用する点です。CR値の変更は簡単ですが、第1、第2のポイントについてはパターンカットとジャンパー線で回路修正をする必要があります。合計6箇所ほどありました。あと電源部には80V と5Vを取り出す回路パターンもついていますが、これは使用しません。![]()
![]()
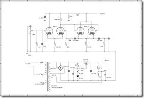
AE-1の方は部品もセットになっているキットでした(Aliexpress価格真空管なしkit 3573円送料664円)。回路もほぼオリジナルに忠実に作られており、CRのブランドを変更したぐらいでほぼそのまま組み上げます。
Calendar
-
最近の投稿
アーカイブ
- 2026年2月
- 2026年1月
- 2023年11月
- 2023年9月
- 2022年3月
- 2022年2月
- 2022年1月
- 2021年12月
- 2021年11月
- 2021年8月
- 2021年7月
- 2021年5月
- 2021年4月
- 2021年3月
- 2021年2月
- 2021年1月
- 2020年12月
- 2020年7月
- 2020年6月
- 2020年5月
- 2020年4月
- 2020年3月
- 2020年2月
- 2020年1月
- 2019年10月
- 2019年9月
- 2019年2月
- 2018年7月
- 2018年6月
- 2018年5月
- 2018年4月
- 2018年3月
- 2018年2月
- 2018年1月
- 2017年9月
- 2017年8月
- 2017年2月
- 2016年10月
- 2016年2月
- 2015年10月
- 2015年8月
- 2014年10月
- 2014年9月
- 2013年12月
- 2013年11月
- 2013年10月
- 2013年9月
- 2013年5月
- 2013年4月
- 2013年3月
- 2013年2月
- 2012年12月
- 2012年11月
- 2012年10月
- 2012年9月
- 2012年7月
- 2012年6月
- 2012年4月
- 2011年8月
- 2011年7月
- 2011年6月
カテゴリー
メタ情報
このイコライザーでもMODEL7とは1か所だけ違う所があります(両CHだと2か所)